Tuotteet‪» Termostaatit ja Lämmitys‪» Huonetermostaatit‪»

Eberle Huonetermostaatti KLR-E 52555

Eberle Huonetermostaatti KLR-E 52555

Eberle Huonetermostaatti KLR-E 52555
Eberle Huonetermostaatti KLR-E 52555

Hinta
Hinnat kirjautumalla


Määrä
kpl



Etherma Skandinavia varasto0 kpl
Netistä toimitettavissa0 kpl

Tilauskoodi
KLR-E 52555

Tilaa kirjautumalla
Saatavuus
Arviolta 3 - 15 vrk tilauksesta, aikaisintaan 9.12.2025. Arvion luotettavuus on hyvä.

Varastotilanne ja saapuvat
Haluan ilmoituksen, kun tuotetta tulee lisää varastoon


Tuotteen kuvaus

Eberle KLR-E 52555 – Huonesäädin (lämmitys/jäähdytys), 0–10 V
Article number: 515780121100
Väri: Active white (RAL 9016)
Suojausluokka: IP30
Käyttökohde: 4-putkijärjestelmien huonelämpötilan säätö

Kuvaus
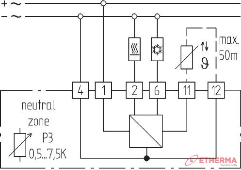
Eberle KLR-E 52555 on seinälle asennettava elektroninen huonesäädin, joka soveltuu sekä lämmityksen että jäähdytyksen ohjaamiseen. Säädin toimii proportionaalisena 0–10 V DC ohjausyksikkönä ja on suunniteltu erityisesti 4-putkisiin LVI-järjestelmiin.

Laite tarjoaa kiinteän 1,5 K säätökaistan, sekä säädettävän neutraali-/kuollutvyöhykkeen 0,5–7,5 K, mikä mahdollistaa tarkan ja vakaan lämpötilansäädön. Säädin voidaan liittää myös etäanturiin, jolloin mittauspiste voidaan sijoittaa optimaalisemmin. Etäanturi voidaan viedä jopa 50 metrin päähän.

Kotelon väri on aktiivi valkoinen ja muotoilu on hillitty, sopien useimpiin sisätiloihin.


Tuotemerkki